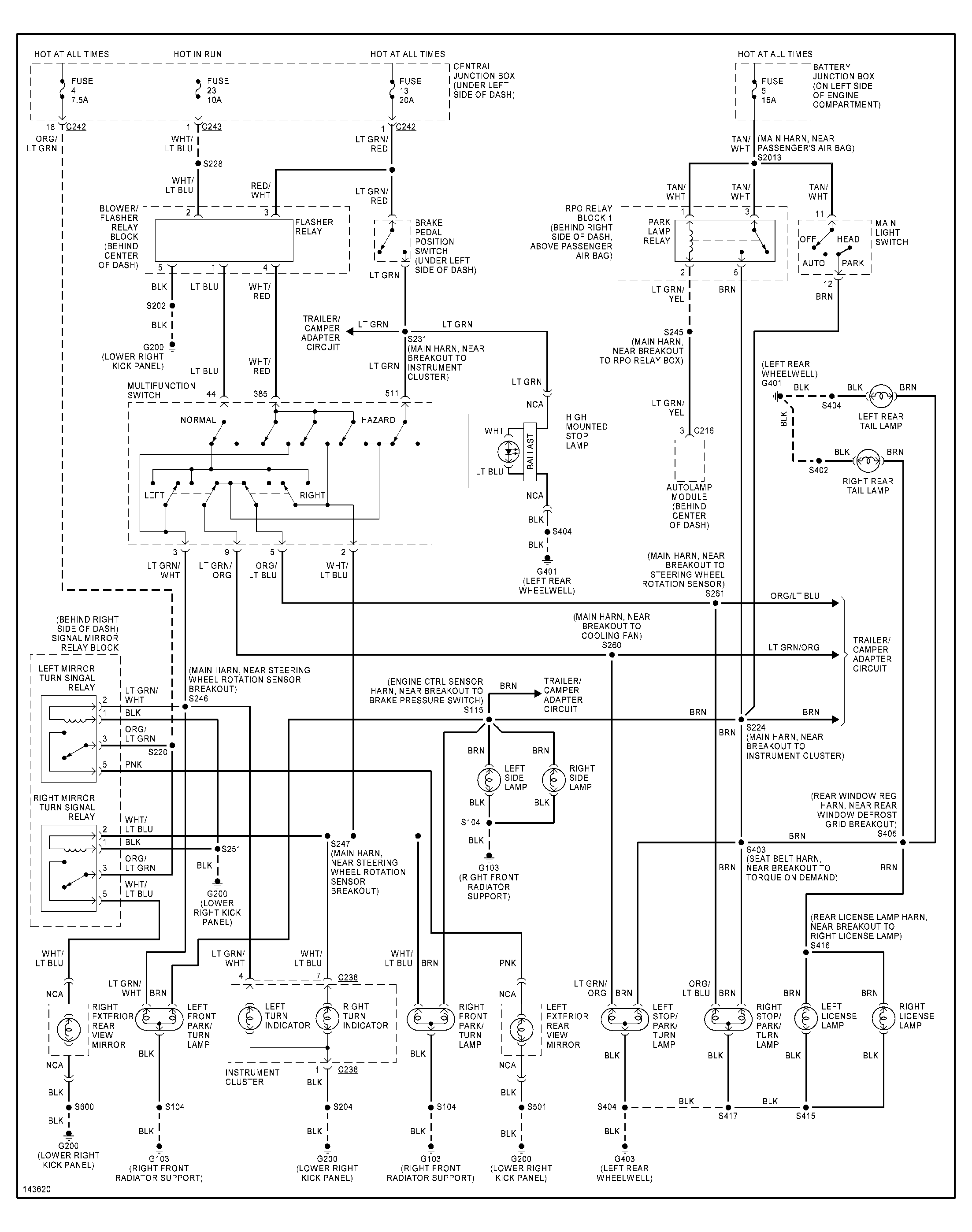
1998 Navigator Fuse Box Diagram

2003 Lincoln Navigator Fuse Box Issues Wwwcaseistore

1999 Lincoln Navigator Fuse Box Diagram Inspirational 2004

The Back Air Suspension On My 1998 Lincoln Navigator Is No

1998 Lincoln Navigator Turn Signal Fuse Diagrams Images Of

Wrg 7511 98 Lincoln Navigator Fuse Diagram

0 Response to "1998 Navigator Fuse Box Diagram"

Post a Comment